Трап із вертикальним випуском MCH 320 N гідрозатвор (320 N)
- — Готівкою
- — Онлайн оплата MonoBank
- — Онлайн оплата WayForPay
- — Оплата з ПДВ
- — Накладений платіж
- — Обговорити з менеджером
- — ПлатиПізніше
- — Легка розстрочка Sense Bank
- — Купівля частинами MONObank
- — Оплата частинами Приват-Банк
- — Миттєва розстрочка
- — Замовлення до 15000 грн – 300 грн
- — Замовлення від 15000 грн – безкоштовно
- — Крупногабаритний товар – уточнюйте
- — Від КП 300 грн + 30 грн/км
- — Крупногабаритний товар – уточнюйте
- — Нова Пошта
- — Делівері
- — САТ
- — Тарифи перевізника – уточнюйте
Увійдіть до облікового запису, щоб ми могли повідомити вас про відповідь
- Все про товар
- Опис
- Технічні характеристики
- Документація
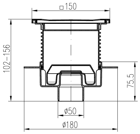
Опис: Трап із вертикальним випуском MCH (МЦШ) 320 N гідрозатвор
Однокорпусний трап з гідрозатвором призначений для встановлення у вологих приміщеннях з великими обсягами води: санвузли готелів, гостьові санвузли приватних будинків та котеджів, а також котельні.
Однокорпусний низький трап із гідрозатвором не пропускає запахи каналізації у приміщення навіть після висихання води.
Грати виготовлені з полірованої нержавіючої сталі товщиною 1,5 мм, завдяки чому трап має привабливий зовнішній вигляд і довгий термін служби.
Габарити решітки – 150 х 150 мм.
Внутрішній нахил решітки підвищує пропускну здатність трапу та прискорює збирання води з поверхні підлоги.

Технічні характеристики: Трап із вертикальним випуском MCH (МЦШ) 320 N гідрозатвор
Документація
Залишіть, будь ласка, свій відгук про товар і наш магазин.
Ваша думка дуже важлива для нас та інших покупців.